南京大学学报(自然科学), 2021, 57(4): 654-659 doi: 10.13232/j.cnki.jnju.2021.04.014

酯交换法制备醋酸异丁酯的动力学研究

闫瀚钊, 曹志, 张子劼, 刘颖, 周爱东, 周政,

南京大学化学化工学院,南京,210023

Study on the kinetics of synthesis of isobutyl acetate by transesterification

Yan Hanzhao, Cao Zhi, Zhang Zijie, Liu Ying, Zhou Aidong, Zhou Zheng,

School of Chemistry and Chemical Engineering,Nanjing University,Nanjing,210023,China

通讯作者: E⁃mail:zhouzheng@nju.edu.cn

收稿日期: 2021-04-07   网络出版日期: 2021-07-30

基金资助: 国家重点研发计划.  2018YFB060460

Received: 2021-04-07   Online: 2021-07-30

摘要

醋酸异丁酯作为一种绿色溶剂在硝化纤维、涂料、油墨、黏合剂、增香剂和药物等化工产业中有广泛的应用.采用改造的强化固定床反应器,以醋酸甲酯和异丁醇为原料,阳离子交换树脂为催化剂,合成醋酸异丁酯,并对其工艺条件进行优化,探究循环流量、催化剂装载量、反应物摩尔比以及反应温度对合成醋酸异丁酯的影响,以指导工业放大化应用.采用UNIFC基团贡献法计算各个组分的活度系数,获得了不同温度下酯交换反应的平衡常数以及标准摩尔反应焓变、标准摩尔反应熵变、标准摩尔生成吉布斯自由能等热力学数据(ΔrH0=10.86 kJ·mol-1ΔrS0=26.52 J·mol-1·K-1).最后使用拟均相模型建立了在强化固定床反应器中的反应动力学方程,正反应的活化能为75.73 kJ·mol-1,逆反应的活化能为64.87 kJ·mol-1.

关键词: 醋酸异丁酯 ; 阳离子交换树脂 ; 强化固定床反应器 ; 热力学 ; 动力学

Abstract

As a green solvent,isobutyl acetate has a wide range of applications in chemical industries such as nitrocellulose,coatings,inks,adhesives,flavoring agents and pharmaceuticals. This article uses an intensified fixed bed reactor to synthesize isobutyl acetate with methyl acetate and isobutanol as raw materials,cation exchange resin as a catalyst,and optimizes its process conditions. The circulation flow rate,catalyst loading,and reactants are explored. The influence of molar ratio and reaction temperature on the synthesis of isobutyl acetate. This research has certain guiding significance for industrial amplification applications.The UNIFC group contribution method is used to calculate the activity coefficients of each component.The equilibrium constants of the transesterification reaction at different temperatures and thermodynamic data such as standard molar reaction enthalpy change,standard molar reaction entropy change,and standard molar reaction Gibbs free energy are calculated(ΔrH0=10.86 kJ·mol-1ΔrS0=26.52 J·mol-1·K-1). Finally,the pseudo⁃homogeneous model is used to establish the reaction kinetics equation in the enhanced fixed bed reactor. The activation energy of the forward and reverse reaction are 75.73 kJ·mol-1 and 64.87 kJ·mol-1.

Keywords: isobutyl acetate ; cation exchange resin ; intensified fixed bed reactor ; thermodynamics ; kinetics

PDF (787KB) 元数据 多维度评价 相关文章 导出 EndNote| Ris| Bibtex  收藏本文

本文引用格式

闫瀚钊, 曹志, 张子劼, 刘颖, 周爱东, 周政. 酯交换法制备醋酸异丁酯的动力学研究. 南京大学学报(自然科学)[J], 2021, 57(4): 654-659 doi:10.13232/j.cnki.jnju.2021.04.014

Yan Hanzhao, Cao Zhi, Zhang Zijie, Liu Ying, Zhou Aidong, Zhou Zheng. Study on the kinetics of synthesis of isobutyl acetate by transesterification. Journal of nanjing University[J], 2021, 57(4): 654-659 doi:10.13232/j.cnki.jnju.2021.04.014

醋酸异丁酯是化学工业中广泛使用的有机溶剂,其主要用于硝化纤维、涂料、油墨、黏合剂、增香剂和药物生产中.它的天然品存在于覆盆子、梨、苹果、菠萝等水果中.目前工业上生产醋酸异丁酯的成熟方法是利用醋酸和异丁醇直接进行酯化反应1-3.Izci et al4使用Amberlite IR⁃122作为催化剂研究醋酸与异丁醇酯化的动力学,发现在323~367 K,反应平衡常数恒定为4,并使用ER模型对可能的反应机理进行数学处理,计算得到酯化反应的活化能为50.5 kJ·mol-1.Korkmaz et al5使用不同的膜与Dowex 50W⁃X8催化剂对异丁醇和醋酸直接酯化生成醋酸异丁酯的反应过程进行研究,发现提升反应温度和膜面积与反应体积的比例均能提升转化率.

醋酸甲酯作为副产品大量存在于聚乙烯醇的生产过程中.据统计,每生产1 kg的聚乙烯醇,便会副产1.5 kg的醋酸甲酯.工业上处理醋酸甲酯的主要方式是将其水解为醋酸和甲醇,但该工艺的能量消耗较大,污染环境,性价比低.因此,从绿色化学的角度出发,利用醋酸甲酯和异丁醇进行酯交换反应的方式生产醋酸异丁酯也是一条值得尝试的途径6-10.

阳离子交换树脂是一种高分子聚合物催化剂,可以催化烷氧化、酰基化、酯交换、酯化等一系列类型的反应11-14.阳离子交换树脂因其成本低廉且具有较高的催化活性和稳定性,使用后容易回收,受到越来越多科研工作者的关注15-19.朱敏亮等20制备了SnCl4改性的阳离子交换树脂并将其作为1⁃丁烯与醋酸的加成制备醋酸仲丁酯反应的催化剂,通过对比实验发现使用改性后的催化剂可以将醋酸转化率由35%提高到70%左右.Steinigeweg and Gmehling21使用阳离子交换树脂Amberlyst⁃15作为正丁醇与醋酸酯化生产醋酸正丁酯反应的催化剂,研究该反应的动力学并计算了拟均相动力学模型的动力学常数.

本文以阳离子交换树脂NKC⁃9作为催化剂,在自制的强化固定床反应器中研究并优化了酯交换反应制备醋酸异丁酯的过程.并计算了反应的热力学和动力学参数.

1 实验设计

1.1 试剂与仪器

实验涉及的主要试剂与仪器:异丁醇(分析纯,上海凌峰化学试剂有限公司);醋酸甲酯(纯度≥99%,上海阿拉丁生化科技股份有限公司);阳离子交换树脂NKC⁃9(外观为不透明的褐色球形颗粒,平均粒径0.4~1.25 mm,比表面积77 m2·g-1,孔径20~45 nm,活性位点浓度4.7 eq·kg-1);强化固定床反应器(强化固定床反应器的管道内径较小,使用时通过循环泵给予压力强制将物料从底部打入固定床反应器中,和传统的固定床反应器相比,这样的设计增大了液体流速,强化了液固传质的效果,提高了反应效率);蠕动泵(BT00⁃600M型,常州市科健蠕动泵厂);高温循环器(GX⁃2010,南京文尔仪器设备有限公司);气相色谱仪(GC⁃2014C,日本岛津公司).

1.2 实验步骤

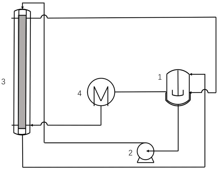
酯交换反应在如图1所示的强化固定床反应器中进行.首先设定高温循环器的温度,之后在储罐中加入醋酸甲酯和异丁醇,打开搅拌器使其混合均匀.高温循环器达到预设的温度后打开蠕动泵,待液体进入反应器后开始计时,定时取样并使用气相色谱仪进行检测分析.

图1

图1   强化固定床反应器流程图

1.预热罐;2.蠕动泵;3.固定床;4.高温循环器

Fig.1   Process diagram of intensified fixed bed reactor


1.3 分析方法

样品分析使用岛津公司的GC⁃2014C型气相色谱,DM⁃FFAP型色谱柱(30 m×0.53 mm×1 μm),采用FID检测器,载气为N2,进样口和检测器温度分别为240 ℃和260 ℃.

2 实验结果与讨论

2.1 循环流量的影响

温度323.15 K,酯醇比1.5∶1,催化剂装载量10%,在强化固定床反应器中研究循环流量对酯交换反应的影响(如图2所示).由图可知,在循环流量从20 mL·min-1逐渐增加到40 mL·min-1的过程中,醋酸甲酯与异丁醇的反应速率随之提高,此后继续增加液体的循环流量对反应速率的影响很小,因此,可认为当循环流量达到40 mL·min-1及以上,外扩散影响可以消除.

图2

图2   循环流量对异丁醇转化率的影响

Fig.2   Influence of of volume flow rate on conversion rate of isobutanol


2.2 催化剂装载量的影响

保持其他条件不变,考察催化剂装载量对酯交换反应转化率的影响(图3).由图可见,在催化剂质量从反应物总质量的5%增大到15%的过程中,异丁醇的转化率随之明显增大,主要原因是更多的催化剂可以带来更多的活性位点.继续增大催化剂装载量至总质量的20%,发现此时异丁醇的转化率与催化剂装载量为15%时的差距明显减小,由此可以推断继续增大催化剂装载量对提高酯交换反应转化率的作用有限,故催化剂用量选为15%.

图3

图3   催化剂装载量对异丁醇转化率的影响

Fig.3   Influence of catalyst loading on conversion rate of isobutanol


2.3 反应物物料配比的影响

温度323.15 K,循环流量40 mL·min-1,催化剂装载量15%,实验测定反应物异丁醇和醋酸甲酯的初始摩尔比对该反应的影响.设定初始摩尔比的范围从1∶1到1∶2.5,在醋酸甲酯的量不断增大的过程中,反应速率逐渐加快,异丁醇的平衡转化率也不断提高(如图4所示).但若考虑原料利用率以及实际生产过程后续分离的问题,则选取异丁醇和醋酸甲酯的物料摩尔比为1∶1.5至1∶2较为合适.

图4

图4   反应物料配比对异丁醇转化率的影响

Fig.4   Influence of initial mass ratio of reactants on conversion rate of isobutanol


2.4 温度的影响

循环流量40 mL·min-1,催化剂装载量15%,异丁醇和醋酸甲酯的物料摩尔比1∶2,反应温度313.15~333.15 K,研究反应温度对醋酸甲酯和异丁醇酯交换反应的影响(图5).由图可见,反应速率和转化率随反应温度的升高而增加.但由于醋酸甲酯的沸点偏低,温度升高会使反应体系的压力增大,考虑实验的安全性,选择反应温度为323.15 K较为合适.

图5

图5   反应温度对异丁醇转化率的影响

Fig.5   Influence of temperature on conversion rate of isobutanol


3 热力学计算

3.1 平衡常数的计算

循环流量40 mL·min-1,催化剂NKC⁃9装载量15%,醋酸甲酯和异丁醇的物料摩尔比1.5∶1,通过调节反应温度,分别测定五个反应温度下的反应平衡常数.当反应体系中异丁醇的转化率基本不变时可以认为反应达到平衡.考虑非理想体系中酯、醇、酸之间的相互作用,采用活度代替反应平衡常数来计算公式中的浓度,采用UNIFC基团贡献法计算各组分的活度22,具体计算如式(1)所示:

Ke=α3α4α1α2=x3x4x1x2·γ3γ4γ1γ2

其中1,2,3,4分别为醋酸甲酯,异丁醇,醋酸异丁酯和甲醇四个组分,Ke为反应的平衡常数,x为摩尔分数,γ为活度系数.活度系数和平衡常数的计算结果见表1.由表可知,反应平衡常数随着温度升高不断增大,说明该酯化反应是吸热过程.

表1   各反应温度下的活度系数和平衡常数

Table 1  The activity coefficient of the components and equilibrium constants at different temperatures

T (K)313.15318.15323.15328.15333.15
γ11.1201.1171.1141.1121.109
γ21.4541.4381.4231.4091.395
γ32.0362.0232.0111.9991.987
γ41.6601.6521.6441.6361.628
Ke0.3810.3980.4220.4580.476

新窗口打开| 下载CSV


3.2 焓变、熵变以及吉布斯自由能的计算

由范特霍夫方程以及吉布斯自由能的定义可知,化学反应的平衡常数可表示为式(2):

lnKe=-ΔrG0RT=-ΔrH0RT+ΔrS0R

以1/T为横坐标,lnKe为纵坐标建立线性关系(如图6所示),由所得直线的斜率和截距可以计算得到标准反应焓变ΔrH0和标准反应熵变ΔrS0分别为10.86 kJ·mol-1和26.52 J·mol-1·K-1,标准反应吉布斯自由能ΔrG0为2.95 kJ·mol-1.反应平衡常数表达式为:

Ke=exp-1306.2T+3.190

图6

图6   lnKe与1/T线性关系图

Fig.6   Linear fitting of lnKe and 1/T


4 动力学计算

4.1 传质的影响

离子交换树脂催化酯交换反应的过程包括通过催化剂外表面的外部传质、内部传质和表面反应,为了研究反应动力学应消除内部传质扩散和外部传质扩散的影响.如前文所述,当循环流量超过40 mL·min-1时外扩散的影响可以忽略.而催化剂内扩散的影响则可以通过使用Weisz⁃Prater准数(CWP)进行评价,CWP≤1时内扩散对反应的影响可忽略23.其表达式如下:

CWP=-rρR2DeCs

式中,-r表示反应的表观速率常数,ρ表示催化剂的密度,R表示催化剂颗粒粒径的六分之一,De为有效扩散系数;Cs为催化剂表面的反应物浓度.不同温度下扩散系数和Weisz⁃Prater准数的计算值如表2所示,由表可知,内扩散的影响可以忽略.

表2   各温度下Weisz⁃Prater准数的计算值

Table 2  Calculated results of Weisz⁃Prater criterion at different temperature

T (K)CWP
313.152.69×10-2
318.154.09×10-2
323.154.55×10-2
328.155.20×10-2
333.155.79×10-2

新窗口打开| 下载CSV


4.2 拟均相模型

忽略外扩散和内扩散影响的条件下,使用忽略物质的吸附、脱附过程,将反应体系作为均相体系进行处理的PH模型对NKC⁃9树脂催化醋酸甲酯和异丁醇发生的酯交换反应动力学进行拟合.其速率方程为:

r=-dα2dt=Mcatk+α1α2-Mcatk-α3α3=Mcatk+α1α2-α3α3/Ke

式(5)中,Mcat表示单位体积反应物中离子交换树脂催化剂的质量,k+k-分别表示反应的正、逆向反应速率常数,且Ke=k+/k-.将实验获得的醋酸异丁酯转化率数据代入式(5)的动力学方程中,利用计算机进行拟合,不同温度下通过拟合得到的正、逆向反应速率常数值与温度之间的关系如图7所示.

图7

图7   lnk与1/T关系图

Fig.7   Linear fitting of lnk and 1/T


由此可得该酯交换反应的动力学表达(式(6)和式(7)),通过其截距和斜率,可得正反应的指前因子k+为8.52×107 mol·g-1·h-1,活化能Ea为75.73 kJ·mol-1,逆反应的指前因子k-为3.51×106 mol·g-1·h-1,活化能Ea为64.87 kJ·mol-1.

k+=8.52×107exp-7.573×104RT
k-=3.51×106exp-6.487×104RT

5 结 论

以阳离子交换树脂NKC⁃9作为催化剂,在自制的强化固定床反应器中研究并优化酯交换反应制备醋酸异丁酯的过程,得到如下的优化条件:反应器循环流量40 mL·min-1,催化剂装载量15%,醋酸甲酯与异丁醇初始摩尔量之比2∶1.

计算反应的标准摩尔反应焓变ΔrH0为10.86 kJ·mol-1,标准摩尔反应熵变ΔrS0为26.52 J·mol-1·K-1,标准摩尔反应吉布斯自由能ΔrG0为2.95 kJ·mol-1.反应平衡常数表达式为:

Ke=exp-1306.2T+3.190

计算反应动力学,得到反应动力学表达式为:

k+=8.52×107exp-7.573×104RT
k-=3.51×106exp-6.487×104RT

参考文献

Muñoz RMontón J BBurguet M Cet al.

Separation of isobutyl alcohol and isobutyl acetate by extractive distillation and pressure⁃swing distillation:Simulation and optimization

Separation and Purification Technology200650(2):175-183.

[本文引用: 1]

赵仑王晓菊白鹤龙.

活性炭负载磷钨酸催化合成香料乙酸异丁酯

长春师范学院学报(自然科学版),200928(4):32-35.

Zhao LWang X JBai H Let al.

Synthesis of spicery⁃isobutyl acetate by tungstophosphoric acid catalyst supported on activated carbon

Journal of Changchun Normal University (Natural Science),200928(4):32-35.

苏丽红王蕴馨.

相转移催化剂合成乙酸异丁酯

精细石油化工进展,20034(11):12-13.

[本文引用: 1]

Su L HWang Y X.

Synthesis of isobutyl acetate by phase transfer catalyst

Advances in Fine Petrochemicals,20034(11):12-13.

[本文引用: 1]

Izci AUyar EIzci E.

Determination of adsorption and kinetic parameters for synthesis of isobutyl acetate catalyzed by amberlite IR⁃122

Chemical Engineering Communications,2008196(1-2):

[本文引用: 1]

56-67.

[本文引用: 1]

Korkmaz SSalt YDincer S.

Esterification of acetic acid and isobutanol in a pervaporation membrane reactor using different membranes

Industrial & Engineering Chemistry Research,201150(20):11657-11666.

[本文引用: 1]

Ansori AMahfud M. Ultrasound assisted interesterification for biodiesel production from palm oil and methyl acetate:Optimization using RSM. Journal of PhysicsConference Series20211747(1):012-044.

[本文引用: 1]

García VPongrácz EPhillips P Set al.

From waste treatment to resource efficiency in the chemical industry:Recovery of organic solvents from waters containing electrolytes by pervaporation

Journal of Cleaner Production,2013(39):146-153.

Scates M OWebb S C.

Integrated process for producing carbonylation acetic acid,acetic anhydride,or coproduction of each from a methyl acetate by⁃product stream

US Patent79066802011-03-15.

Fuchigami Y.

Hydrolysis of methyl acetate in distillation column packed with reactive packing of ion exchange resin

Journal of Chemical Engineering of Japan,199023(3):354-359.

Pöpken TSteinigeweg SGmehling J.

Synthesis and hydrolysis of methyl acetate by reactive distillation using structured catalytic packings:Experiments and simulation

Industrial & Engineering Chemistry Research,200140(6):1566-1574.

[本文引用: 1]

Komoń TNiewiadomski POracz Pet al. Esterification of acrylic acid with 2⁃ethylhexan⁃1⁃ol:Thermodynamic and kinetic study. Applied Catalysis AGeneral2013(451):127-136.

[本文引用: 1]

Altıokka M RHoşgün H L.

Kinetics of hydrolysis of benzaldehyde dimethyl acetal over amberlite IR⁃120

Industrial & Engineering Chemistry Research,200746(4):1058-1062.

Gangadwala JKienle AStein Eet al.

Production of butyl acetate by catalytic distillation:Process design studies

Industrial & Engineering Chemistry Research,200443(1):136-143.

Graca N SPais L SSilva V M T Met al.

Oxygenated biofuels from butanol for diesel blends:synthesis of the acetal 1,1⁃dibutoxyethane catalyzed by amberlyst⁃15 ion⁃exchange resin

Industrial & Engineering Chemistry Research,201049(15):6763-6771.

[本文引用: 1]

Liu YLiu JYan H Zet al.

Kinetic study on esterification of acetic acid with isopropyl alcohol catalyzed by ion exchange resin

ACS Omega,20194(21):19462-19468.

[本文引用: 1]

Yang G DLiu YZhou Zet al.

Kinetic study of the direct hydration of turpentine

Chemical Engineering Journal,2011168(1):351-358.

Chin S YAhmad M A AKamaruzaman M Ret al.

Kinetic studies of the esterification of pure and dilute acrylic acid with 2⁃ethyl hexanol catalysed by amberlyst 15

Chemical Engineering Science,2015(129):116-125.

Jagadeeshbabu P ESandesh KSaidutta M B.

Kinetics of esterification of acetic acid with methanol in the presence of ion exchange resin catalysts

Industrial & Engineering Chemistry Research,201150(12):7155-7160.

Chen SWang SZhou Zet al.

Study on the alkoxylation of dihydromyrcene over cation exchange resins

Industrial & Engineering Chemistry Research,201958(27):11871-11877.

[本文引用: 1]

朱敏亮徐平杜长海.

改性离子交换树脂催化合成醋酸仲丁酯

化学工程师,2007(3):13-15.

[本文引用: 1]

Zhu M LXu PDu C H.

Synthesis of sec⁃butyl acetate catalyzed by modified strong acid cation ion exchange resin

Chemical Engineer,2007(3):13-15.

[本文引用: 1]

Steinigeweg SGmehling J.

n⁃Butyl acetate synthesis via reactive distillation:Thermodynamic aspects,reaction kinetics,pilot⁃plant experiments,and simulation studies

Industrial & Engineering Chemistry Research,200241(22):5483-5490.

[本文引用: 1]

董新法方利国陈砺. 物性估算原理及计算机计算. 北京化学工业出版社2006.

[本文引用: 1]

Fogler H S.

Elements of chemical reaction engineering

The 3rd Edition. Englewood CliffsUSA:Prentice Hall,1999.

[本文引用: 1]

/