酯交换法制备醋酸异丁酯的动力学研究 |
| 闫瀚钊, 曹志, 张子劼, 刘颖, 周爱东, 周政 |
|
Study on the kinetics of synthesis of isobutyl acetate by transesterification |
| Hanzhao Yan, Zhi Cao, Zijie Zhang, Ying Liu, Aidong Zhou, Zheng Zhou |
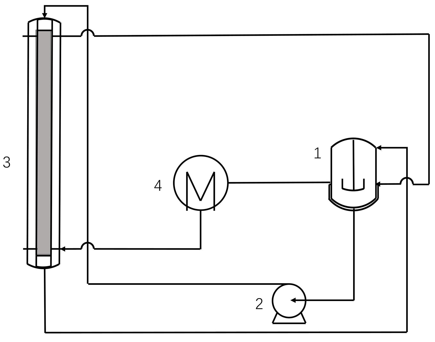
| 图1 强化固定床反应器流程图 1.预热罐;2.蠕动泵;3.固定床;4.高温循环器 |
| Fig.1 Process diagram of intensified fixed bed reactor |
|