微界面强化蒽醌法制双氧水的氧化工段的模拟计算研究 |
| 张宇杰, 吕权, 李夏冰, 李磊 |
|
Simulation calculation study of microinterface enhanced oxidation section in hydrogen peroxide production by anthraquinone method |
| Yujie Zhang, Lü Quan, Xiabing Li, Lei Li |
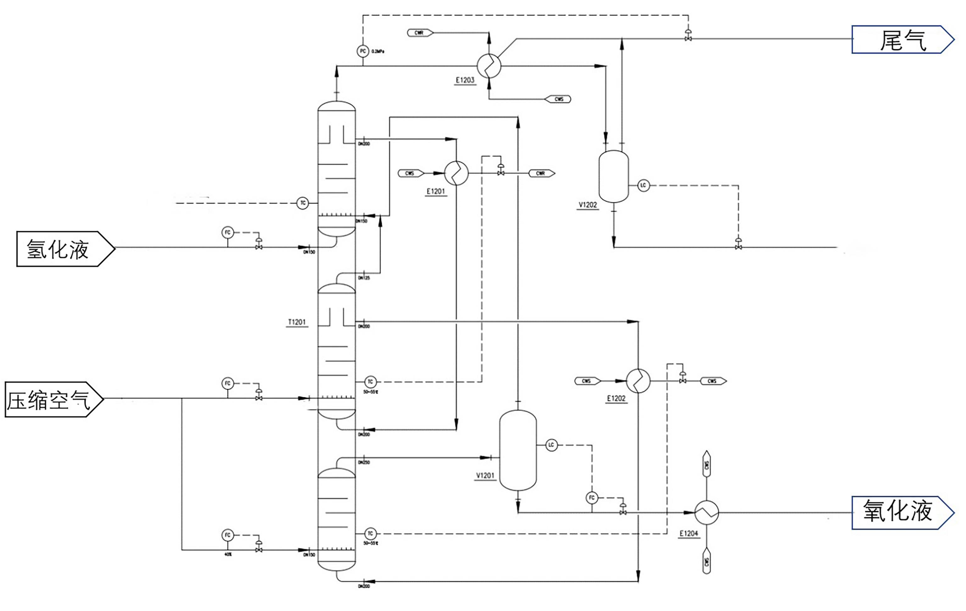
| 图1 典型的三段串联氧化反应工艺流程图 |
| Fig.1 Process flow diagram of typical three?stage series oxidation section |
|